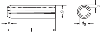
Штифт пружинный со шлицем DIN 1481 в Москве
Назад в каталог
Цена за 1 шт с НДС:
по запросу
по запросу
Марка стали:
в рамках стандарта
Товар:
на складе
Заказ будет оформлен кратно упаковкам. Минимальная сумма общего заказа 5000 рублей

Бесплатная доставка

Возможность отсрочки платежа

Гибкая система скидок

Доставка по всей России

Личный менеджер

Наличие товара на складе
| Наименование |
Цена за
1 шт .
|
Количество | ||
|---|---|---|---|---|
|
3x6 Штифт пружинный со шлицем DIN 1481 | руб. |
|
Подождите...
Стоимость доставки
Размерные характеристики
Таблица расчета веса
Подождите...
